
- 機械図面に描かれた図形ってどうやって見たらいいの?全然物体をイメージできない。
- しかも図形の中にいろいろな記号が書かれているけど、どういう意味かよく分からない。
- てか、機械図面って図形以外にも、いろいろ表とか文字が書かれているけど、どういう意味があるのかよく分からない。
皆さんは、過去の私のように、
「機械図面の見方が全く分からない」
という状態ではないでしょうか?
機械図面はものづくりの原点となる存在です。機械図面を見て内容が理解できないと、設計者や現場の職人さんの話についていくことができませんし、ものづくりの世界ではそもそも仕事になりません。
ですが多くの初心者は、機械図面を見ても内容を理解することができません。(私自身もそうでした)
それはなぜか、機械図面の見方(機械図面には何が書かれ、それぞれが何を意味しているのか)を知らないからです。
そのため、今回は皆さんが機械図面を見て内容を理解できるようになるために、最低限知っておくべき機械図面の見方(機械図面には何が書かれ、それぞれが何を意味しているのか)を解説します!
この記事で分かること
- 初心者が最低限知っておくべき機械図面の見方(機械図面には何が書かれ、それぞれが何を意味しているのか)が分かる
そして、
- 初心者でも機械図面が読めるようになる
その結果、
- 設計者や現場の職人さんと図面の内容について対等に議論することができるようになる

文系出身で現在、プラントエンジニアリング業界の調達部門で働く武将が、自身の経験を踏まえてわかりやすく解説しますので、ぜひ一緒に学んでいきましょう!!
機械図面に書かれていること
まず、機械図面には何が書かれているかを先にお伝えします。


機械図面は上図のような図面で、大きく分けると次の7つの要素が書かれています。
ここからは、これらの要素が機械図面の中で「どのような意味を持っているのか」を順番に解説していきます。
ただし、これらの要素の中身をすべて完璧に説明していくつもりはありません。
というのも、初心者が最初から機械図面の見方をすべて理解して覚えようとするのは、非常に大変で時間がかかるからです。また、初心者にとってそれは得策ではありません。

特に「図」の部分に出てくる無数の記号を一度に覚えるのは非常に大変です。
機械図面は、実は、上記の要素について「ある程度」の内容を知っていれば、図面の内容は十分理解できるようになります。
そのため、初心者が何をすべきかというと、まずは最低限の内容を理解して、図面が読めるようになること。その後、実務で必要になった知識をその都度身につけていく。この方法が最も効率的です。
それでは、各要素について「最低限知っておくべき内容」を見ていきましょう。
機械図面に書かれている7つの要素は、会社ごとに配置が異なることはあっても、基本的にはどの会社の図面にも網羅されているはずです。
というのも、機械図面に書かれる要素は、JIS(日本産業規格)によって細かく定められており、どの会社もJISに則って図面を作成しているからです。
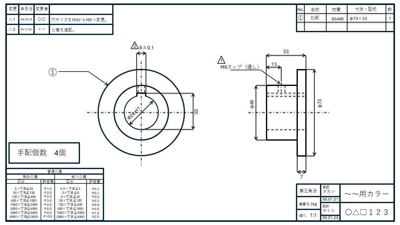
①図枠

図枠とは、その名の通り「図面の外枠」のことです。
機械図面における意味
- 図枠があることで、どこまでが図面の内容なのかが明確になる
- コピーやスキャンをした際に、図枠が切れていたら、図面をすべてコピーやスキャンできていないということに気づける
- 図枠のサイズは各用紙サイズ(A0、A1、A2、A3、A4)ごとにJISによって細かく定められている
②表題欄

表題欄は、その図面の「プロフィール」が書かれている場所で、通常は図面の右下に配置されます。ここを見れば、その図面が何を表しているのかが一目で分かります。
もちろん、表題欄に記載するべき項目もJISによって定められており、主に以下の項目が記載されています。
機械図面における意味
- 図面名称: その部品や製品の名前。
- 例:「~~用カラー」、「○○装置組立図」、「××ポンプ」
- 図面番号: 図面を管理するための固有の番号。(会社ごとに異なる)
- 縮尺: 図面の図が実物に対してどれくらいの大きさで描かれているかを表す。
- 縮尺が1:1なら、実物のサイズは図面に書かれた図と同じサイズ。
- 縮尺が1:2なら、実物のサイズは図面に書かれた図の2倍のサイズ。
- 縮尺が2:1なら、実物のサイズは図面に書かれた図の半分のサイズ。
- 第三角法: 図面の図が「第三角法」というルールで描かれていることを示す。
- 「第三角法」というルールについては、見出し「⑦図」で詳細を説明します。
- 設計担当・承認者・日付: 誰がいつ描き、誰がチェックしたかを表す。
- 責任の所在が明らかになる
- 重量: その部品の完成時の推定重量を表す。
- 図面に描かれたものを実際に製作する際の見積もりや配送計画に必要となる。
③部品欄

部品欄は、その図面に描かれた物体を構成する材料や部品のリストです。
機械図面における意味
- 部品欄には、各材料や部品の材質、寸法、個数が記載されていることが多い。
- 部品図の場合: 今回の「~~用カラー」のような「部品図(1つのパーツの図面)」では、材料名(SS400やSUS304など)が1行書かれている程度でシンプル。
- 組立図の場合: 複数の部品が組み合わさる「組立図」になると、ここには何十行もの部品リストが並ぶ。各部品の名称、材質、規格、個数などが一覧で表示される。
④改定歴

改定歴は、その図面が現在に至るまでにどのように変更されてきたのか、その履歴が記載されています。
というのも、図面は一度描いたら終わりではなく、設計ミスが見つかったり、仕様が変更されたりして、内容が変更されることは珍しくありません。
そのため、改定歴も図面に書かれるべき重要な要素となります。
機械図面における意味
- 改定歴には、「いつ」「誰が」「どこを」「なぜ」直したかが記録されている。
- 図面の初版を「△0」とし、1回目の変更があると「△1」、2回目の変更があると「△2」といった感じで、改定されるたびに数字が増えていく。
- この「△」を「リビジョン(revision)」と言う。
- そのため「△1」は「リビジョン1」、「△2」は「リビジョン2」と呼ぶ。
- 下図のように、図面の図の中に「△1」「△2」といった記号があれば、「ここは1回目の変更で修正された部分」、「ここは2回目の変更で修正された部分」ということが分かる。

改定歴は要注意!
図面が改定されているにも関わらず、古いリビジョンの図面で製作を進めてしまい、出来上がった後に不具合が発生するといったミスは非常に多いです。
また、古い設備の改造やオーバーホール工事になると、書庫から古い図面を引っ張り出してきます。その時に最新版でない図面を参照してしまい、トラブルが発生する、、なんてことは、定番中の定番です。
こういったミスをしないためにも、手元にある図面が最新版であるかを必ず確認することが大切です!
⑤手配個数

機械図面における意味
- 手配個数は、「図面で描かれた部品や製品をいくつ手配するか」が書かれている。
- 例えば、ある設備Bを製作するために、Aという部品が150個必要になる場合
- Aという部品の図面には、手配個数が150と記載されている。
- この時、ある設備Bの部品欄には、Aという部品が記載され、個数が150となっている
手配個数に間違わないために裏どりが重要!
手配個数を間違えて製作を進めてしまうと、後で、「部品が足りない!」「部品が余っている!」といったことになるため、注意して確認する必要があります。
ただし、設計者も手配個数を書き間違えていることがあります。
そのため、図面を受け取った人は、部品図の手配個数のみを信用するのではなく、その部品が使用される組立図の部品欄を確認して、部品図の手配個数が間違いないか確認することが大切です!
例えば、今回見本として取り上げている「~~用カラー」の手配個数は4となっています。
この時、設計者が手配個数を間違えていなければ、「~~用カラー」を使用して組み立てられる「○○装置」の機械図面の部品欄には、「~~用カラー 4個」と記載されているはずです。
一方、設計者が手配個数を間違えている場合には、「○○装置」の機械図面の部品欄には、「~~用カラー 3個」などと書かれており、「~~用カラー」の手配個数4個と一致しません。
「組立図の部品欄」と「部品図の手配個数」の数を確認して、一致していない場合は、何かをミスしている可能性が高いため、設計者へ確認するようにしましょう!
⑥普通公差

「そもそも公差って何?」という方もいらっしゃると思いますので、まず先に「公差とは何か?」について簡単にお伝えしておきます。
公差とは?
- 公差(こうさ)とは、「どの程度の誤差なら許容されるかの基準」のこと。
- 例えば、図面上で、ある部品の寸法の公差が「100mm±1mm」と定められているとする。
- 「100mm±1mm」は、「実際の寸法が99mmから101mmまでの間であれば許容される」という意味。
- 上記図面の部品を実際に2つ製作し、それぞれの寸法を測ってみると100.2mmと102mmだった。
- 100.2mmは合格(公差の「100mm±1mm」に収まっているから)
- 102mmは不合格(公差の「100mm±1mm」に収まっていないから)
- 公差は、上記の例のように製品の品質の合否判断に使用される。

知らなかった人も公差がどういうものなのかはある程度分かったのではないでしょうか。公差については別記事でも詳しく解説予定ですので、ぜひご覧ください。
そして、この公差は、図面内で以下の二つの方法によって書かれて(定められて)います。

- 普通公差
- 寸法に個別で公差を記載(←見出し「⑦図」で解説)
では、図面上で各寸法の公差をどのように見るかというと、以下のように確認します。
- 「寸法に個別で公差を記載」されている部分の寸法・・・個別に記載された公差に従う
- 「寸法に個別で公差を記載」されていない部分の寸法・・・「普通公差」に従う
二つの方法の使い分けとしては、特に寸法精度にこだわる部分については、「寸法に個別で公差を記載」して公差を厳しく定め、あまり寸法精度にこだわる必要が無い部分には、「普通公差」を適用するという使い分けになっています。
また、図面上のすべての寸法に個別に公差を記載していると、図面が読みづらくなってしまうため、普通公差を使用するという意図もあります。
ひとまず、ここで皆さんが理解しておくべきポイントとしては、以下になります。
普通公差に比べて寸法に個別で記載されている公差は厳しい。

では、前置きが長くなりましたが、この見出しでは、まず「普通公差」について解説します。
「寸法に個別で公差を記載」する方法については、見出し「⑦図」で解説します。

機械図面における意味
- 普通公差は上図のような表で図面内に記載されている。
- 普通公差は「製缶加工」と「削り加工」に分かれており、図面に描かれた物体の製作方法によって適用する公差が変わる。
- 図面に描かれた物体を製作するために、材料を切ったり、曲げたり、溶接する場合は、「製缶加工」に該当し、「製缶加工」の普通公差を適用する。
- 図面に描かれた物体を製作するために、旋盤やフライス盤で材料の表面を削って加工する場合は、「削り加工」に該当し、「削り加工」の普通公差を適用する。
- 各寸法の大きさごとに公差が定められている。
- 例えば、①製缶加工によって製作する物体の寸法で、図面寸法が150mmの部分については、上図の普通公差の表を参照すると「120mmを超え400mm以下」に該当するため、公差は±2.0mmとなる。つまり、150mm±2.0mmとなる。
- 例えば、②削り加工によって製作する物体の寸法で、図面寸法が150mmの部分については、上図の普通公差の表を参照すると「120mmを超え400mm以下」に該当するため、公差は±0.5mmとなる。つまり、150mm±0.5mmとなる。
物体によっては、削り加工と製缶加工を組み合わせて製作するものも存在します。この時、削り加工と製缶加工のどちらの普通公差を適用させるのか、疑問に思う方もいらっしゃると思います。
基本的にその寸法がどちらの加工で作られるかで判断します。
例えば、下図の場合、Aは削り加工を適用、Bは製缶加工を適用します。
悩ましいのが、Cですが一般的には、公差の緩い方である、製缶加工を適用します。

⑦図

いよいよメインの「図」の部分です。図面はこの「図」を使って物体の形状を詳細に伝えます。
そして、皆さんがこの「図」を見て物体の形状を理解するためには、最低限、次の4つを理解する必要があります。
- 第三角法(だいさんかくほう)
- 線種(線の種類)
- 外形線
- かくれ線
- 寸法線・寸法補助線
- 中心線
- 切断線
- 仮想線
- 寸法
- 単位はmm
- 公差について
- φについて
- □は正方形
- 面取りについて(CとR)
- ネジの書かれ方について
- 穴あけ指示について
- はめあい公差について
- 図面の記号
- 溶接記号
- 仕上げ記号
- 幾何公差の記号

では、順番に解説していきます!
第三角法(だいさんかくほう)
第三角法とは?
- 3次元の物体を2次元の図面に描く方法、ルール。
- 日本の機械図面で最も一般的な描き方。
- JIS(日本産業規格)においても第三角法で図を描くことが原則とされている。
- ヨーロッパの一部の国は、「第一角法」という描き方で図面が作成されている。しかし、世界的には「第三角法」が主流。
第三角法のルール

- 上図のように、正面から見た図を中央に、右側から見た図を右側に、左側から見た図を左側に、上側から見た図を上側に、下側から見た図を下側に描く。
- 形状を伝えるのに十分であれば、必ずしもすべての6方向すべての面を書く必要はない。
- 図面によっては、下図のように2面のみで描かれているものもある。

- 縦横で隣接する図は、縦の位置と横の位置を一致させる。(下図参照)

- 断面図も、右側から見た図を右側に、左側から見た図を左側に、上側から見た図を上側に、下側から見た図を下側に描く。(下図参照)
- 断面図:切断面を矢印の方向から見た図

図面に書かれた図の形状を理解するには、まず第三角法のルールを知っておくことが初めの一歩となります。ここで説明した内容は理解しておきましょう。

私は断面図を見て、今でもたまに「あれ、これってどっちから見た図だ?」と頭がこんがらがるときがあります。。。まだまだ精進が必要です。
線種(線の種類)
第三角法のルールが分かったところで、続いて線の種類について解説していきます。
機械図面を見てみると、たくさんの線が引かれていて、「全然、物体の形が見えてこない!」という方もいると思います。(私も最初そうでした。)
ではなぜ、「図」を見ても物体の形が見えてこないのか?その原因は、線の種類が理解できていないからです。
「図」に書かれている線には種類があり、すべての線が物体の形状を表しているわけではありません。
そこでここでは、初心者が物体の形状を理解できるようになるために最低限覚えておくべき6種類の線を解説します。
- 外径線
- かくれ線
- 寸法線・寸法補助線
- 中心線
- 切断線
- 仮想線
ちなみに、「図」に書かれている上記6種類の線は、「線の太さ」と「線の形状」という二つの要素の組み合わせで種類分けされています。
そのため図の中では、この「線の太さ」と「線の形状」で種類を見分けていくことになりますので、しっかりこの点も理解しておきましょう!
- 線の太さ(細、太)
- 線の形状(実線、破線、一点鎖線、二点鎖線)
1.外形線

___________
線の太さ:太い
線の形状:実線
説明:品物の見える部分の形状を表す。図面で最も重要な線。
2.かくれ線

ーーーーーーーー
線の太さ:細い
線の形状:破線
説明:
- 穴の内部や裏側など、隠れて見えない部分の形状を表す。
- 物体の形状が複雑な場合、厳密にすべてのかくれ線を一つの図に記載していると、図が複雑になって読みづらくなるため、一部のみ記載して、そのほかを省略することがある。
- 省略したかくれ線の部分については断面図や矢視図を別途設けて、外形線として表し、読み手に伝える。
3.寸法線・寸法補助線

___________
線の太さ:細い
線の形状:実線
説明:
- 寸法線:寸法を示す線。どの区間の寸法か分かるよう矢印が付いている。
- 寸法補助線:寸法線を引き出すための線。
4.中心線

ー・ー・-・-・ー
線の太さ:細い
線の形状:一点鎖線
説明:
- 円の中心、円柱の軸線、または図形の「中心や対称」を表すために引かれる線。基準を示すための線であり、実際の物体には存在しない線。
- 円形であれば、円の中心に対して、水平方向、垂直方向に2本の中心線が引かれ、2本の中心線の交点が中心を表す。(下図参照)
- 円柱を側面から見た図であれば、円柱の中心軸に1本線が引かれる。(下図参照)


中心線は円形なのか方形(四角い形状)なのかを見分ける重要なポイントになります!図を見るときは、中心線がないか注意して見ましょう!
5.切断線

A↑ーー・ー・-・-・ーー↑A
線の太さ:細い
線の形状:一点鎖線(ただし、両端に見る方向を示す矢印が付いている)
説明:
- 断面図を描く際、「どこで切断したか」という位置と「どちらから断面を見るか」という方向を示す。
- 上図の場合、A-Aの切断線で切断しているため、断面図はA-A断面図といわれる。
- 物体を切断しない位置に線を引き、切断線と同様に矢印を付けることで、どこの矢視図か伝えることもできる。(下図参照)

6.仮想線

ー・・ー・・ー・・-
線の太さ:細い
線の形状:二点鎖線
説明:実際の物体には存在しないが、参考として描かれる線。主に下記のような箇所に仮想線が引かれる。
- 加工前の形状:加工して無くなる部分を示す。
- 移動後の状態:可動部品が動いた後の位置を示す。
- 隣接部品:参考のために周囲の部品を薄く描く。

私自身の経験ですが、線の種類を理解することで、一気に物体の形状が分かるようになった実感があります。
機械図面を読むときに、線の種類を意識して、「これが外形線で、これがかくれ線で、これが寸法線で、、、」という風に見ていくと物体の形状が分かるようになってきますので、ぜひ、今回お伝えした線の種類をしっかり理解しておくようにしましょう!
寸法
ここまでで、第三角法のルール、線の種類を説明してきました。ある程度、物体の形状を図から読み取れるようになってきたのではないでしょうか?
ですが、ものづくりをするためには、物体の形状を図から読み取るだけでは不十分で、具体的な寸法を読み取ることが必要になってきます。
そこで、ここからは寸法について解説していきます。
ただし、寸法を読み取ること自体は難しいものではなく、寸法線に記載されている数字を読み取ればそれで終わりです。
しかし、一部、知ってないと「これ、どういう意味?」となる寸法の記載方法がありますので、その部分について解説していきたいと思います。
皆さんが寸法で知っておくべきポイントは下記の8点です。
- 単位はmm
- 公差について
- φについて
- □は正方形
- 面取りについて(CとR)
- ネジの書かれ方について
- 穴あけ指示について
- はめあい公差について
①単位はmm
- 機械図面に書かれる数字は、特に指示が無い限りはmm(ミリメートル)表記。
②公差について
- 上述している通り、図面上で公差を指示する方法は、「普通公差」と「寸法に個別で公差を記載」する二つの方法がある。
- 「普通公差」については、見出し「普通公差」を参照
- 「寸法に個別で公差を記載」する方法は、下図のように、寸法の最後に「±1」や「+0,-2」という風に記載する。
- 例:8±0.1・・・7.9~8.1
- 例:120+0,-2・・・118~120

③φは直径
- φの読み方:「ファイ」「まる」「パイ」
- φは円の直径を表す。
- φ9は「直径9mm」ということ。

「φ5の丸棒」を現場では、「まる5の丸棒」と言ったり、「5パイの丸棒」と言ったりします。
入社当時、現場の職人さんから電話で「まる5」とか「5パイ」とか言われて、「何言ってんだろう?この人、、」となった記憶があります笑
丸棒ってなんだという方は、こちらの記事で解説しておりますので、ぜひご覧ください!
丸棒ってなんだという方は、こちらの記事で解説しておりますので、ぜひご覧ください!
④□は正方形
- □は正方形であることを意味。
- 寸法に「□7」と記載してあったときは、「1辺の長さが7mmの正方形」という意味。
⑤面取りについて(CとR)
- 下図のように物体の角を平たい面や丸い面にすることを面取り(めんとり)という。
- 面取りを行う目的には、鋭い角によるけがを防ぐといった安全面の配慮に加え、角部の欠けや破損を防止するという品質面の理由がある。
- 面取りには、C面取りとR面取りがある。
- C面取り:角を平たい面にする加工
- R面取り:角を丸い面にする加工

- 面取りを図面上で指示する方法
- 例:←C3…上図のように、辺の長さが3mmの直角二等辺三角形になるように角をとること
- 例:←R3…上図のように、半径が3mmの円の外周になるように角をとること
⑥ネジの書かれ方について
- ネジ部は図中で以下の図のように表される。
- ネジ山を一つづつ図面上で描くことはしない。

⑦穴あけ指示について
- 図面上で穴あけ指示を行う場合、以下のように記載される場合がある。
- 「穴の数 ー 穴サイズと穴形状」
- 例:「4-6キリ」…「4か所に直径6mmのキリ穴」という意味。
- 例:「6‐M10タップ(通し)」…「6か所にM10のタップ穴(貫通)」という意味。

- キリ穴
- 意味:ボルトを通す穴、単なる穴
- 図面での表記:キリ、φ
- タップ穴
- 意味:ネジをねじ込むための穴、雌ネジ
- 図面での表記:M8
- 長穴
- 意味:位置調整可能な穴
- 図面での表記:縦寸法×横寸法、長穴
- 貫通・通し
- 意味:穴が貫通した状態
- 図面での表記:貫通、THRU、通し
- 止まり
- 意味:穴が貫通せず、途中で止まった状態
- 図面での表記:止まり、深さ
- ザグリ
- 意味:穴に段が付いている状態。六角穴付きボルトの頭を収めるために作られる
- 図面での表記:ザグリ
- 皿もみ
- 意味:皿ネジの頭を収めるために、穴の入り口が円錐状に広がっている状態
- 図面での表記:サラモミ



「M8ってなんだ?」という方や、「皿ネジが分からない人、六角穴付ボルトが分からない人」はこちらの記事で解説していますので是非ご覧ください!
⑧はめあい公差について
- はめあい公差は穴に軸を差し込む箇所でどの程度のキツさにするかを定める公差。
- はめあい公差は、図の中で「φ56 H7」や「φ63 g6」などで表記される。
- 初心者は、上記のアルファベットと数字を見つけたら「軸と穴のキツさを決めるためのはめあい公差だな」と思っておく程度でいい。
- 業務上、はめあい公差の詳細を知る必要があれば、図面に記載されている「φ56 H7」などをそのまま検索すると解説が出てくる。

図面の記号
最後に図面に出てくる記号を解説します。
「図」を見て物体の形状を理解するためには、主に3つの記号を理解する必要があります。
- 溶接記号
- 仕上げ記号
- 幾何公差の記号

順番に解説します!
①溶接記号
溶接記号とは、物体のどこに、どのような溶接をするか指示するための記号です。
機械製品の多くは金属でできており、そんな金属同士を接合する手段として、溶接は定番中の定番です。
そのため機械図面には、溶接を指示する溶接記号が多く登場します。
皆さんが溶接記号についてひとまず覚えておくべき内容は以下になります。

- 溶接記号は、3つの要素で成り立っている。(上図参照)
- 矢(や): 溶接する場所を指し示す。
- 基線(きせん): 横に引かれた直線。ここに溶接の種類やサイズを記入する。
- 尾(お):特別な指示(溶接方法の種類など)がない場合は省略される。

- 基線の下側(矢と同じ側)に記号がある場合:矢が指している側(矢の側)を溶接する。
- 基線の上側(点線の側)に記号がある場合:矢が指している反対側(反対側)を溶接する。

- 基線に書かれる溶接形状を示す記号で皆さんがひとまず知っておくべきなのは以下3種類。
- 隅肉溶接(◢):
2枚の板を直角に当てて、その角を埋める溶接。 - V形溶接(V):
板の端を斜めに削って(開先)、V字の溝を埋める溶接。 - レ形溶接(レ):
片方の板だけを斜めに削って溶接する。
- 隅肉溶接(◢):

溶接する前に材料を斜めに切って、溶接しやすくする加工を「開先(かいさき)」といいます。

- 溶接形状を示す記号付近に書かれる数字の読み方
- 溶接形状を示す記号の左側の数値: 脚長または、開先深さを表す。
- 溶接形状を示す記号の右側の数値:溶接の長さや数、ピッチを表す。

- そのほかの補助記号
- 全周溶接: 矢と基線の交点に「◯」。部材の周りをぐるっと一周すべて溶接するという意味。
- 現合溶接: 旗のような記号。工場ではなく、建設現場などで取り付ける際に溶接するという意味。(現地で合わせる溶接→現合溶接)
②仕上げ記号
仕上げ記号は、物体の表面をどの程度の粗さ(ツルツルか、ザラザラか)にするかを指示する記号です。
仕上げ記号の指示によって、旋盤や研磨機などを使用して金属表面を削り、鏡のようにツルツルに磨き上げることがあります。
逆に、鋳造品などのザラザラな表面をそのまま残すために仕上げ不要とする指示もあります。
皆さんが仕上げ記号についてひとまず覚えておくべきことは以下になります。

- 仕上げ記号は上図のように、旧JISと新JISの2種類の方法で記載される。

皆さんが古い図面を使用する場合には、旧JISのマークが記載されていることが多いと思います。

- 旧JISと新JISの対応表は、上図で、仕上げ記号は基本的に4段階で表面の粗さ指示する。
- 絶対に表面仕上げをしないでほしい場所には、「素地のまま」の記号を付ける。

皆さんが機械図面で「素地のまま」以外の仕上げ記号を見つけたら、「この面は、表面がツルツルに加工されているんだな」と思うようにしましょう!

③幾何公差の記号
幾何公差(きかこうさ)とは、ここまでで登場してきた寸法公差とは異なり、 「この面は、どのくらい真っ直ぐか、どのくらい平らか、どのくらい垂直か」といった、「形・姿勢・位置」の正確さを指定する公差になります。
皆さんがこの幾何公差についてひとまず覚えておくべきことは以下になります。

- 幾何公差は、上図のように、図面上では3つの要素で記載される。
- 記号: 「垂直にね!(直角度)」
- 許容範囲: 「ズレは0.2mm以内にしてね」
- データム:基準とする面や線
- 幾何公差の記号一覧(下図参照)


幾何公差の許容差を理解するのは、なかなか難しい内容になってくるため、最初から理解しようとする必要はありません。
ひとまず皆さんは、機械図面で幾何公差を見つけたら、「この面の垂直度を指示してるんだな」とか、「この円柱のまんまるさを指示してるんだな」ということを読み取れるようにしましょう!
まとめ
今回は、皆さんが機械図面を見て内容を理解できるようになるために、最低限知っておくべき機械図面の見方(機械図面には何が書かれ、それぞれが何を意味しているのか)を解説しました!
〇機械図面に書かれていること・それぞれの意味
- 図枠:「図面の外枠」のこと
- 表題欄
- 図面名称: その部品や製品の名前。
- 図面番号: 図面を管理するための固有の番号。(会社ごとに異なる)
- 縮尺: 図面の図が実物に対してどれくらいの大きさで描かれているかを表す。
- 第三角法: 図面の図が「第三角法」というルールで描かれていることを示す。
- 設計担当・承認者・日付: 誰がいつ描き、誰がチェックしたかを表す。
- 重量: その部品の完成時の推定重量を表す。
- 部品欄:図面に描かれた物体を構成する材料や部品のリスト
- 改定歴:図面の改定履歴(いつ、どこを、誰が、なぜ直したか)が記録されている
- 手配個数
- 普通公差:「個別に公差が記載」されていない寸法の公差を示す。
- 公差=どの程度の誤差なら許容されるかの基準
- 図:物体の形状を詳細に伝える。
- 第三角法:3次元の物体を2次元の図面に描く方法、ルール。
- 線の種類:最低限覚えておくべき6種類の線
- 外形線
- かくれ線
- 寸法線・寸法補助線
- 中心線
- 切断線
- 仮想線
- 寸法:寸法で知っておくべき8つのポイント
- 単位はmm
- 公差について
- φについて
- □は正方形
- 面取りについて(CとR)
- ネジの書かれ方について
- 穴あけ指示について
- はめあい公差について
- 図面の記号:理解しておくべき3つの図面記号
- 溶接記号
- 仕上げ記号
- 幾何公差の記号
上記の内容を理解しておくことで、初心者の皆さんも機械図面を見て内容を理解できるようになります。そしてその結果、皆さんは、設計者や現場の職人さんと図面の内容について対等に議論することができるようになります。
今後も、機械図面を見て頭の中で3次元の物体をイメージするコツ(初心者うちはどうしても難しいと思います)だったり、溶接記号の詳細だったりを解説していく予定ですので、ぜひこれからも一緒に学んでいきましょう!





コメント